搜索
上传BOM
全部商品分类
选择代码(可不选) 代码含义
还有 6 项未选 重置
安装侧端面形状
材质
硬度
表面处理
镀层厚度
D
图片仅供参考
分享至

定位销 沉孔固定型 偏心型 标准型/引导型

条件筛选
种类: 定位销形状: 偏心型导入头部形状: 平头型导入侧端面形状: 沉孔固定型导入表面形状: 圆型肩部形状: 无肩型
产品型号
请先点击左侧选项 开始选型
选型插件
材质图 拆分 参数图

  • 产品简介
  • 产品特点
  • 产品尺寸
  • 性能参数
1 产品简介

定位销以工件孔作为定位基准,参与限制物体自由度的零件,控制物品在X 、Y 、Z 三个轴向的直线运动,和绕着X、 Y 、Z的旋转运动的六个自由运动度。

2 产品特点

特点1:定位销具有结构简单、对中性好、承载能力高、变载和冲击性能好等特点,但定位销对配合面的加工精度要求较高。

特点2:导入部为锥角形的标准类型。压入使用,可指定压入部公差:m6、p6、g6。

特点3:可选材质:铁制(SKS3);不锈钢(SUS304、SUS440C或同等高硬度耐蚀钢),适用各种工件定位。

特点4:含有表面镀硬铬规格,有效保证表面硬度和防锈。

特点5:头部有圆型、三角型、六边型、对边切割型和多棱型可供选择,固定型价格便宜,自由指定型规格丰富。


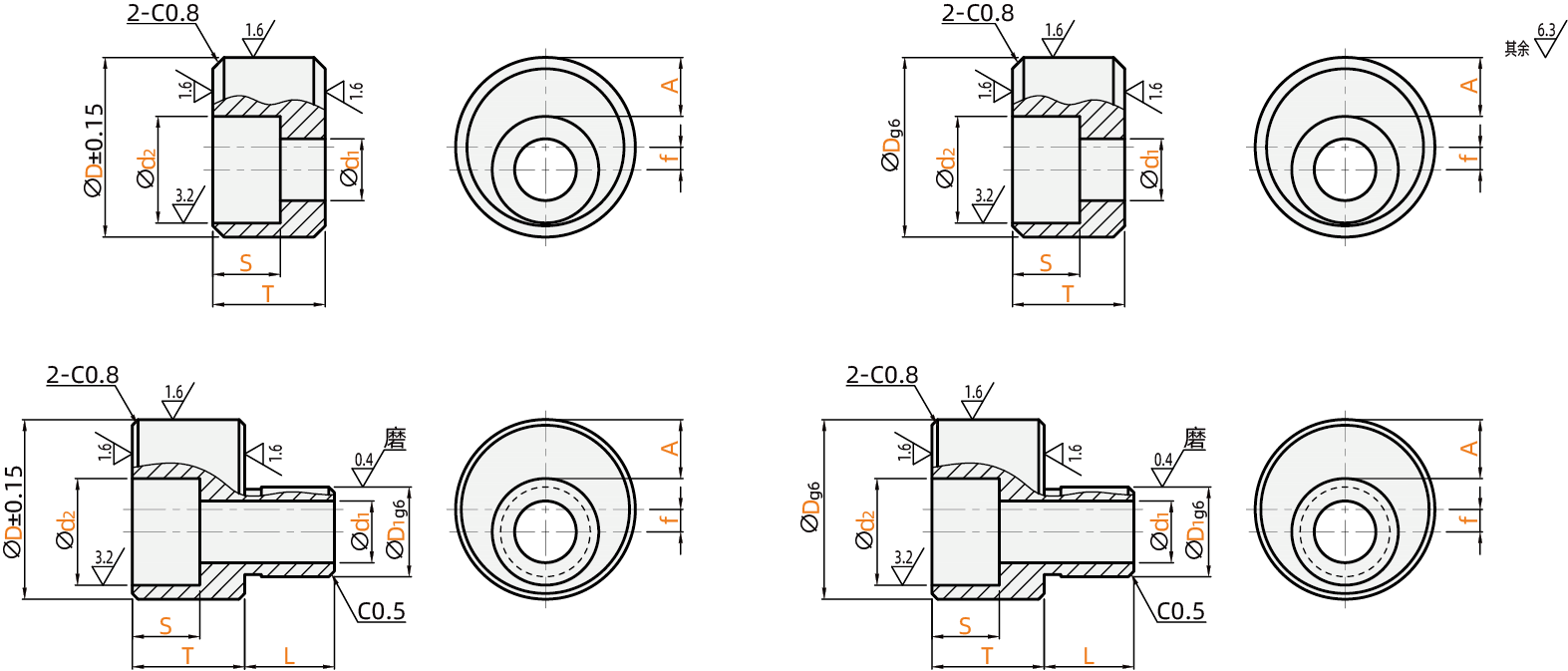
3 产品尺寸


注:SUS440C材质的D部加工有识别槽。

4 性能参数
代码形状安装侧端面
形状
材质硬度表面处理镀层厚度
FDZS-M2-Y1H9偏心型标准型SKS3淬火硬度58~61HRC
FDZS-M2-Y2H9淬火硬度58~61HRC,镀层硬度850HV~镀硬铬镀层厚度3~5μm
FDZS-S1-Y0H9SUS304
FDZS-S6-Y3H9SUS440C淬火硬度48~53HRC
FDZS-M1-Y5H9SUJ2淬火硬度HRC56~,镀层硬度850HV~镀硬铬镀层厚度3~5μm
FDZS-M2-Y1E引导型SKS3淬火硬度58~61HRC
FDZS-S1-Y0ESUS304
FDZS-S6-Y3ESUS440C淬火硬度48~53HRC
FDZS-M1-Y5ESUJ2淬火硬度HRC56~,镀层硬度850HV~镀硬铬镀层厚度3~5μm


选型未完成,无法生成零件模型,请优先完成零件选型