直线运动零件
导向轴 转轴 导向轴支座
传动零部件
联轴器 同步带 同步轮
定位零件
固定环 悬臂销/铰链销 分度销/快卸销
电机驱动
伺服电机 伺服/步进线束 步进电机/步进驱动器
气动/液压
气源处理元件 气缸 控制阀/汇流板
门部零件/脚轮/脚杯
手柄 把手 手轮
工业铝型材及配件
铝型材 倍速链系列型材 机械防护栏
机械常用零件
弹簧 氮气弹簧 磁铁
紧固零件
螺钉 螺栓 螺母
低压电气
按钮开关/指示灯/蜂鸣器 断路器/空气开关 插头/插座
工业控制
行程开关 微动开关 PLC
传感器
光电传感器 接近传感器 槽型光电传感器
机械视觉/机器人周边专区
光源控制器/光源 视觉传感器/扫码枪/读码器 UV固化灯
电气辅材
压接端子 护线套 电缆线
模具配件
冲压模具标准件 塑胶模具标准件
工业用材料/减震/隔热
聚氨酯类 橡胶类 隔热材料
工具/刀具/夹具
线号标签打印机 手推车 测量工具
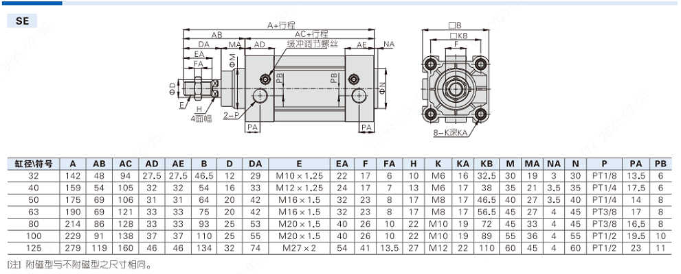
气缸型号规格表_嘉立创FA官网
浏览量: 4025 发布于: 2024-10-23 15:04:03
1、气缸定义及其在自动化系统中的作用
气缸是一种将压缩空气的能量转化为机械能的装置,通过活塞杆的往复直线运动或摆动来传递力矩和能量。在工业自动化领域,气缸是不可或缺的一部分,它广泛应用于各种机械设备中,以实现物体的定位、搬运、装配等多种功能。

① 气缸的工作原理
压缩空气供应:从压缩空气源引入气体到气缸的某一腔室。
活塞运动:气体压力使活塞克服摩擦力和负载力进行运动。
回程机制:双作用气缸利用另一侧气体压力回程,单作用气缸则使用弹簧或重力等方式。
② 气缸在工业中的重要性
提高效率:通过自动化的动作代替手动操作,显著提高工作效率。
减少错误:避免因人为因素导致的错误,提高产品质量。
适应性强:可以根据不同的生产工艺调整气缸参数,满足多样化需求。
2、气缸的主要类型及其工作原理
气缸种类繁多,选择合适的类型对于确保系统正常运行至关重要。

① 直线气缸
标准气缸:最常见的类型,具有较大的推力范围。
紧凑型气缸:体积小,适用于空间受限的应用场景。
无杆气缸:通过外部滑块来传递力,节省空间且灵活性更高。
② 旋转气缸
齿轮齿条式旋转气缸:通过齿轮和齿条的配合实现旋转运动。
叶片式旋转气缸:利用叶片在圆筒内旋转来驱动外部负载。
摆动气缸:提供固定角度的旋转运动,适用于狭小空间。
③ 特殊用途气缸
耐腐蚀气缸:使用特殊材料制成,适用于化学加工等腐蚀性环境中。
高温气缸:能够在高温条件下正常工作,适用于热处理等工艺。
防爆气缸:具有防爆功能,适合在易燃易爆环境中使用。
3、气缸的安装与维护注意事项
为了确保气缸的长期可靠运行,安装和日常维护都是不可忽视的重要环节。

① 安装前的准备
尺寸确认:核实气缸规格是否符合实际应用需求。
气源检查:确保供气系统的压力、流量满足气缸的要求。
配件准备:准备好必要的连接件、固定件等辅助材料。
② 安装步骤
基础固定:将气缸底座牢固地固定在基座上。
活塞杆对齐:确保气缸活塞杆与负载之间的连接精准对齐。
软管连接:正确连接气管至气缸的进气口,注意防止扭曲。
③ 维护建议
定期润滑:为气缸活动部件添加润滑油,减少磨损。
清洁保养:清除气缸表面及周围区域的尘埃和杂物。
性能测试:定期检查气缸的功能,如行程、速度等是否符合预期。

4、气缸的应用案例
通过实际案例,我们可以更直观地了解到气缸在各个行业中的应用价值。
① 汽车制造业中的应用
车身焊接:在焊接机器人中,气缸用于控制焊枪的位置和压力。
轮胎装配:气缸帮助将轮胎压紧在轮毂上,保证其安全稳固。
零部件检测:气动传感器结合气缸实现零件尺寸精度测量。

② 食品包装行业的实践
封口设备:气缸驱动封口机头上下移动,完成包装袋的密封。
装箱机械:在自动装箱过程中,气缸负责推动物品进入箱子。
输送系统:气缸作为动力源,驱动链条或皮带运输货物。
嘉立创FA|机械/电气自动化零部件一站式采购商城,提供零部件同品质1:1低成本选型替代,价格公开透明欢迎比价,现货库存当天发货,自营加工工厂,品质/交期可控。产品涵盖:机械常用零部件、直线运动零件、传动零件、电子电气产品、紧固零件、铝型材等高品质零件。
资讯中心