无数据

系统检测到您选择的型号和当前型号不一致,请于左侧检查下参数再下单
恭喜您,成功添加商品至购物车
不锈钢迷你气缸是气动系统中的执行元件,采用压缩空气作为动力使活塞移动,驱动机构作直线运动。
复动型气缸的推出和缩回动作都是通过气源来驱动的;通过控制两端交替进出气实现活塞杆的往复运动,应用广泛。
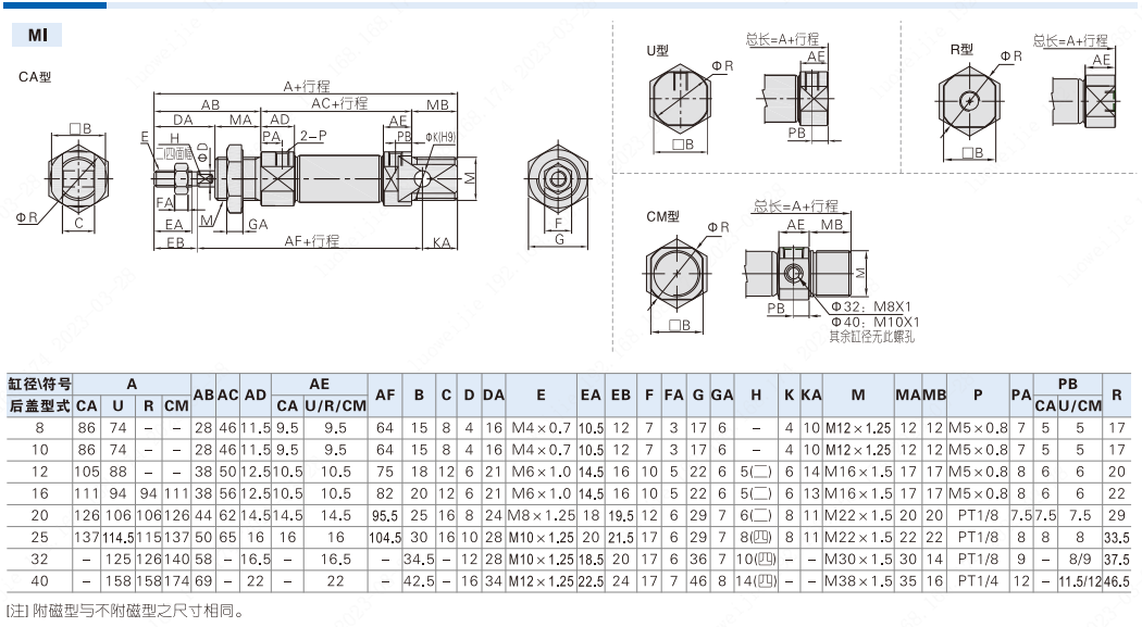
1、符合ISO6432标准(Φ8~Φ25);
2、前后盖带固定式防撞垫,可减少气缸的换向冲击;
3、多种后盖形式,使气缸安装更方便;
4、前后盖与不锈钢缸体采用铆合辊包结构,连接可靠;
5、不锈钢材质活塞杆及缸体,使气缸能适应一般腐蚀性工作环境;
6、多种规格的气缸及气缸安装附件可供客户选择使用。

行程

气缸理论出力表

规格


1、工作中负载有变化时,应选用输出力充裕的气缸;
2、在高温或者腐蚀性条件下,应选用相应的耐高温或耐腐蚀性气缸;
3、在湿度大,粉尘多,或者有水滴、油尘、焊渣的场合,气缸应采取必要的防护措施;
4、气缸接入管道前,必须清除管道内脏物,防止杂物进入气缸内;
5、气缸使用介质应经过40um以上滤芯过滤后方可使用;
6、在低温环境下,应采取抗冻措施,防止系统中的水分冻结;
7、气缸使用前应经空载试运转,运转前将缓冲调至最小,逐步放松,以免产生过大冲击而损伤气缸;
8、避免侧向负载,否则活塞杆会弯曲变形且损坏杆端螺纹。单动型不可在回程时加载;
9、气缸拆下长时间不使用,要注意表面防锈,进排气口应加防尘堵塞帽,特别注意:前、后盖不可拆卸。
选型未完成,无法生成零件模型,请优先完成零件选型
型号:
品质好
品牌件保证正品,假一罚十 大企业背书,售后保障
阳光透明
全网统一定价策略 明码实价
交期快
现货库存,2小时发货 无库存的标准件3-5天发货
价格优
价格具有吸引力 不惧比价
品类齐全
160+大类,65+万SKU 一站式采购服务 支持来图定制加工
咨询
7X24小时服务热线:400-869-8058
业务咨询:13265536798 李先生
13266820185 黎先生
技术支持:0755-2389 5859
客诉电话:18681530039
服务邮箱:jlcfa-kf@sz-jlc.com
服务时间:周一至周六 9:00-22:00


微信公众号
抖音号
版权所有 - 深圳嘉立创科技集团股份有限公司 粤ICP备11084592号 粤公网安备44030402005642号 增值电信业务经营许可证粤B2-20201198 ISO/IEC



新人福利