搜索
上传BOM
全部商品分类
选择代码(可不选) 代码含义
还有 2 项未选 重置
导程
L(总长度)

145~800

追加工(可选) 展开
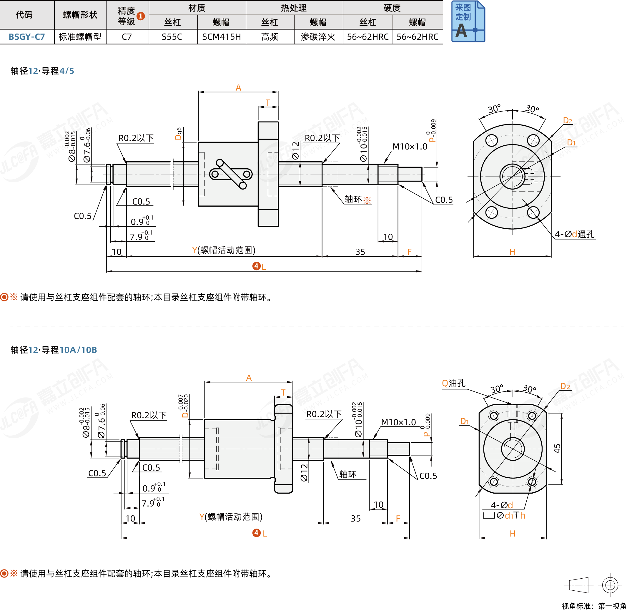
压轧滚珠丝杠  轴径12 导程4/5/10 标准螺帽型
图片仅供参考
分享至

压轧滚珠丝杠 轴径12 导程4/5/10 标准螺帽型

条件筛选
产地: 中国台湾种类: 压轧滚珠丝杠精度等级: C7轴径: 12
产品型号
BSGY-C7-12 -
【导程(去填写>)】
-
【L(145-800)/1去填写>】
重置
选型插件
材质图 拆分 参数图

BSGK_1.png

BSGK_2.png

  • 产品简介
  • 产品特点
  • 产品视频
  • 使用案例
  • 注意事项
1 产品简介

滚珠丝杠又称滚珠丝杆,滚珠螺杆。是将旋转运动转化为直线运动,或将直线运动转化为旋转运动的理想的产品。 

2 产品特点

特点1:高传动效率,滚珠丝杠运转是靠螺帽内的钢珠作滚动运动,比滑动丝杆有更高的效率,所需的扭矩只有其 1/3 以下,因此可轻易地将回转运动变转为直线运动。传动效率可达85%—98%。


特点2:定位精度高,可以实现无间隙传动,刚度强,温升小。适合大部分自动化设备机械,满足大部分客户使用要求。


特点3:丝杆有单头丝杆,双头丝杆,多头丝杆,丝杆承载力有不同级别,导程有小导程,中导程,更有同直径导程,双倍导程,选择范围大。


特点4:灵敏度高。 无颤动、无爬行,同步性好,使用寿命长。 是普通滑动丝杠的4倍以上,磨损小,精度保持期长。


特点5:使用、润滑和维修方便。长年累计起来的品牌制造技术为基础,从材料,热处理,制造检验至出货,都有一定的处理作业以严谨的品保制度来加以管理,因而具有高可靠性。


3 产品视频

4 使用案例

(1) 自动化设备:传送工作台,精密XY平台,升降装置,电路板检查装置。


(2) NC 工作机械:车床,铣床,镗床,磨床,放电加工机,线切割机,高速冲床,木工机。


(3) 半导体相关设备:曝光装置,化学处理装置,电子零件插入机,印刷电路板钻孔机。


(4) 产业机器人:直角坐标型,垂直多关节型,圆筒坐标型,钢铁设备机械,影像处理装置,航空器。


(5) 电子行业:飞针检测机,SMT全自动锡膏印刷机,点胶机,固晶机,贴片机。


(6) 丝杠,花键,光轴等。给一切需要回转运动提供支撑的场合提供支持使用。

image.png

5 注意事项

■选型以及使用的注意事项


●不保证丝杠组装后的噪音值


●虽然出厂时已涂抹锂皂基润滑脂,但是请以收到货后每2~3个月为标准,需要注入新的润滑脂,否则会影响使用。


●在运行中,如果出现噪音过大或者有尖锐刺耳的声音,请务必先确认丝杠的安装精度、以及电机、联轴器等周边部件的规格是否合适。


●请勿使螺帽超出滚珠丝杠螺帽活动范围,或旋出丝杠轴,否则会造成滚珠脱落及滚珠循环零件损伤等。


●倾斜放置滚珠丝杠及螺帽可能因自重而掉落,请务必注意。


●本产品是机械加工品,故外观会存在刀纹及色差,在不影响使用和主要功能的前提下,如果商品有少许划痕或颜色变化、属于正常现象,请放心使用。


image.png




■滚珠丝杠及外围零件设计、组装时的注意事项


滚珠丝杠是只承受轴向负载的部件,如果使其承受径向负载或力矩负载,可能导致滑动不良及产生振动、异常声响、从而缩短使用寿命。


引起滚珠丝杠承受径向负载、力矩负载的原因是周围零部件的轴心偏差和平行度误差,因此为了防止产生误差,必须正确地设计和组装滚珠丝杠的外围零件。


●滚珠丝杠与支座组件的轴心偏差(图1)


-所谓轴心偏差是指,由固定侧支座组件所固定的滚珠丝杠的轴心与支持侧支座组件轴承的轴心偏差。


-轴心偏差的容许值20μ以下(参考值)


●滚珠丝杠与直线导轨的平行度(图2)


-平行度误差是指,滚珠丝杠相对于直线导轨等的基准产生上下或左右方向的倾斜。


-倾斜的容许值1/2000以下(图3)


●组装时的注意事项


组装后如果发觉滚珠丝杠运行时有异常声响、移动时有被卡的现象,请旋松各零部件的联结后进行调整,待移动顺畅后重新组装。


-支座组件左右方向的误差(图1)


-直线导轨与滚珠丝杠的平行误差(图2)


-工作台与螺帽支架的固定


-滚珠丝杠螺帽与螺帽支架的固定


image.png


BSGK_3.png

选型未完成,无法生成零件模型,请优先完成零件选型

嘉立创FA-微信咨询
公众号
手机商城
意见反馈