搜索
上传BOM
全部商品分类
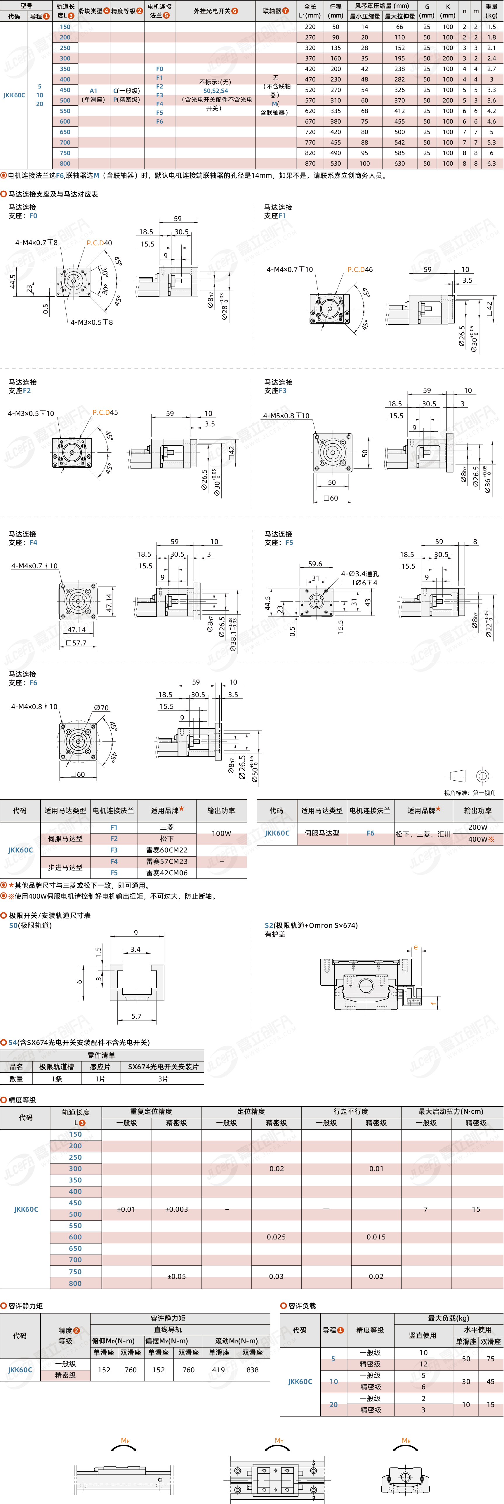
选择代码(可不选) 代码含义
还有 6 项未选 重置
导程
精度等级
轨道长度
滑块类型
电机连接法兰
外挂光电开关
联轴器
图片仅供参考
分享至

KK60系列 风琴罩防护型 电机直连

条件筛选
种类: KK模组系列: KK60系列 风琴罩防护型 电机直连底座宽度: 60mm类型: 风琴罩防护型电机安装方式: 直连
产品型号
JKK60C -
【导程(去填写>)】
-
【精度等级(去填写>)】
-
【轨道长度(去填写>)】
- A1 -
【电机连接法兰(去填写>)】
-
【外挂光电开关(去填写>)】
-
【联轴器(去填写>)】
重置
选型插件
材质图 拆分 参数图

选型未完成,无法生成零件模型,请优先完成零件选型