无数据




系统检测到您选择的型号和当前型号不一致,请于左侧检查下参数再下单
恭喜您,成功添加商品至购物车


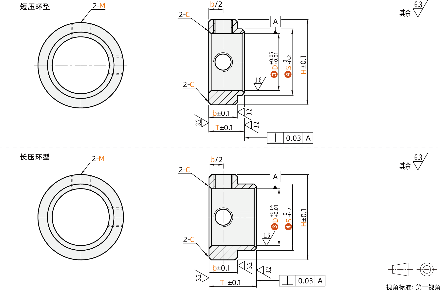
固定轴承用固定环可用作轴承的内圈压环。与轴承专用螺帽相比而言,无需专用工具、且性价比高。
特点1:将固定环固定在旋转类零件一侧,作为旋转类零件的轴向固定而使用。
特点2:将固定环固定在转轴的一端,凸台部紧贴轴承内圈,起到轴承定位的作用。
特点3:将两个固定环在轴上零件的两端进行夹紧固定,该零件前后位置可调,作为该零件的轴向定位而使用。
特点4:止动螺丝型相较于开口型的固定环,紧固力更强。
特点5:紧凑型相较于标准型,厚度更薄,更省空间。
特点5:有多种材质以及表面处理可供选择,满足客户多种需求。

代码 | 特征 | 类型 | 轴固定方式 | 材质 | 表面处理 | 附件 |
FGEG-E1-D | 短压环型 | 紧凑型 | 紧定螺钉 | S45C | 发黑 | 2个 |
FGEG-N1-D | 无电解镀镍 | 2个 | ||||
FGEG-W-D | SUS304 | — | ||||
FGEG-E1-L | 长压环型 | S45C | 发黑 | 2个 | ||
FGEG-N1-L | 无电解镀镍 | 2个 | ||||
FGEG-W-L | SUS304 | — | ||||
如对防锈有要求,请优先选用不锈钢材质或无电解镀镍产品。 | ||||||
1.如果产品对防锈有要求,优先选择无电解镀镍表面处理产品和SUS304材质产品
2.由于固定环没有硬度,发生碰撞后容易产生擦伤、撞伤,收到产品后请注意养护。
选型未完成,无法生成零件模型,请优先完成零件选型
型号:
品质好
品牌件保证正品,假一罚十 大企业背书,售后保障
阳光透明
全网统一定价策略 明码实价
交期快
现货库存,2小时发货 无库存的标准件3-5天发货
价格优
价格具有吸引力 不惧比价
品类齐全
160+大类,65+万SKU 一站式采购服务 支持来图定制加工
咨询
7X24小时服务热线:400-869-8058
业务咨询:13265536798 李先生
13266820185 黎先生
技术支持:0755-2389 5859
客诉电话:18681530039
服务邮箱:jlcfa-kf@sz-jlc.com
服务时间:周一至周六 9:00-22:00


微信公众号
抖音号
版权所有 - 深圳嘉立创科技集团股份有限公司 粤ICP备11084592号 粤公网安备44030402005642号 增值电信业务经营许可证粤B2-20201198 ISO/IEC



新人福利