搜索
上传BOM
全部商品分类
选择代码(可不选) 代码含义
型号已生成 重置
d
D
图片仅供参考
分享至

外螺纹型 包胶轴承 圆柱型

条件筛选
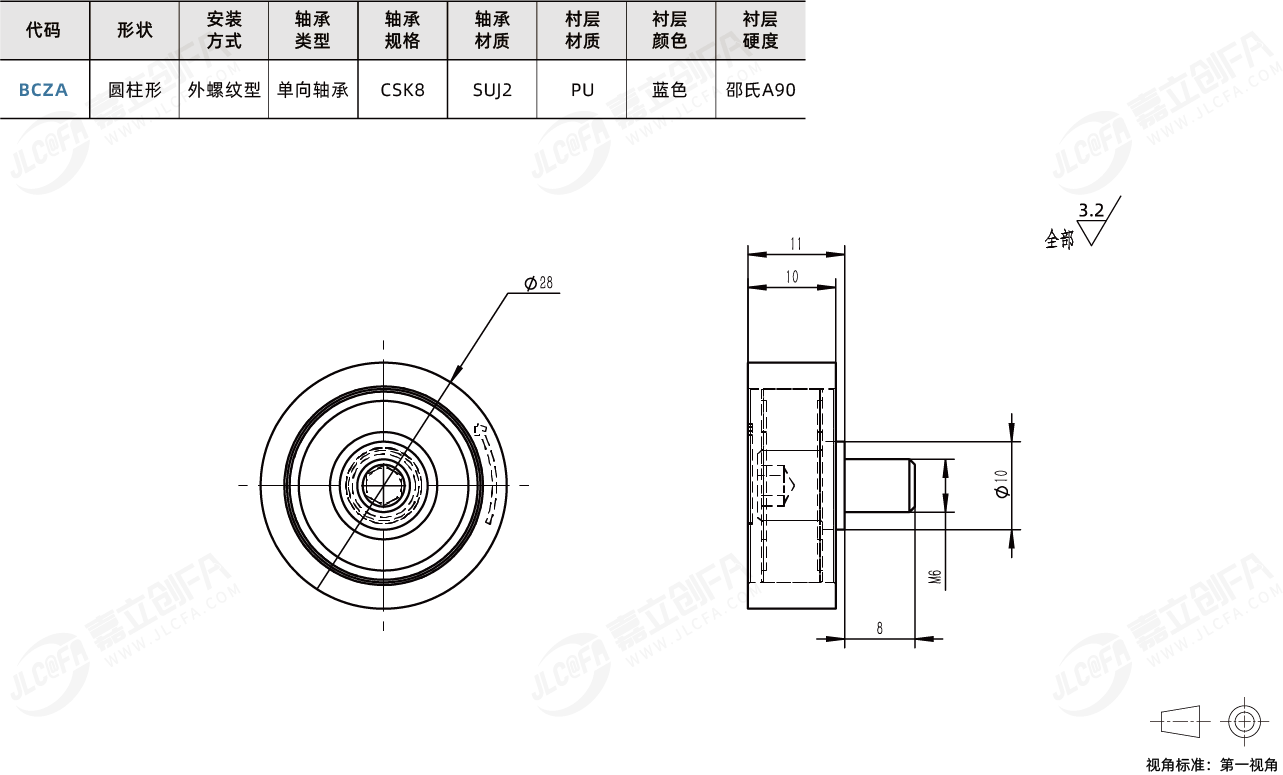
种类: 包胶轴承衬层硬度: 邵氏A90衬层颜色: 蓝色衬层材质: PU安装方式: 外螺纹型形状: 圆柱型本体材质: SUJ2分类: 单向轴承品牌: 国产
产品型号
BCZA-8-28
复制
重置
选购数量
商品交期
--

实际发货以付款成功次日算起,不含周日与法定节假日

选型插件
材质图 拆分 参数图

BCZA_1.png

BCZA_2.png

选型未完成,无法生成零件模型,请优先完成零件选型