搜索
上传BOM
全部商品分类
选择代码(可不选) 代码含义
还有 2 项未选 重置
D
自润滑板2安装角度A°

0~10

图片仅供参考
分享至

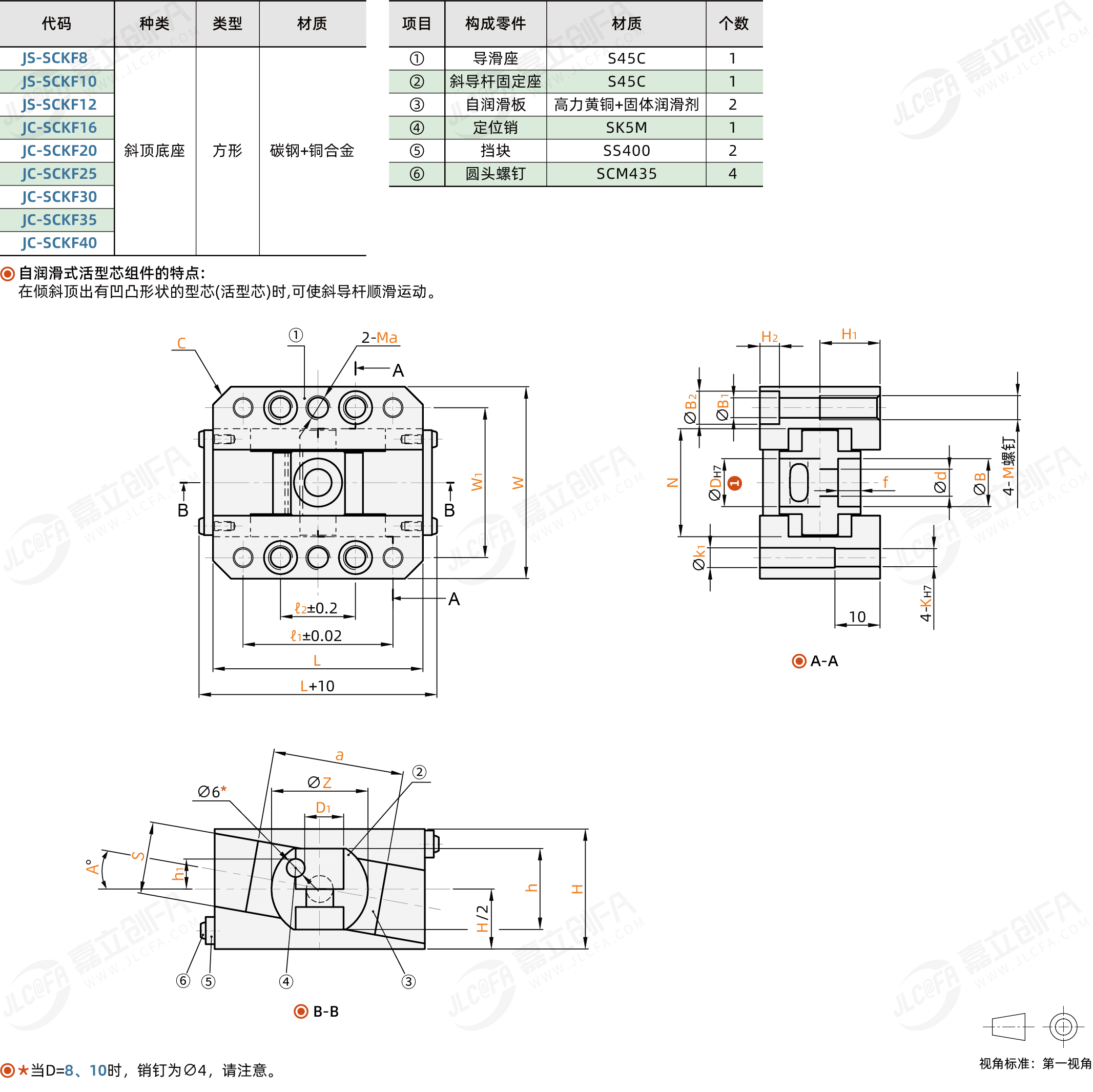
斜顶底座自润滑式活型芯组件 -标准型 固定型-

条件筛选
种类: 斜顶底座分类: 抽芯零件类型: 自润滑式活型芯形状: 方形材质: 碳钢+铜合金
产品型号
JC-SCKF -
【D(去填写>)】
-
【自润滑板2安装角度A°(0-10)/1去填写>】
重置
选型插件
材质图 拆分 参数图

RDW-JC-SCKF_1.png

RDW-JC-SCKF_2.png

选型未完成,无法生成零件模型,请优先完成零件选型