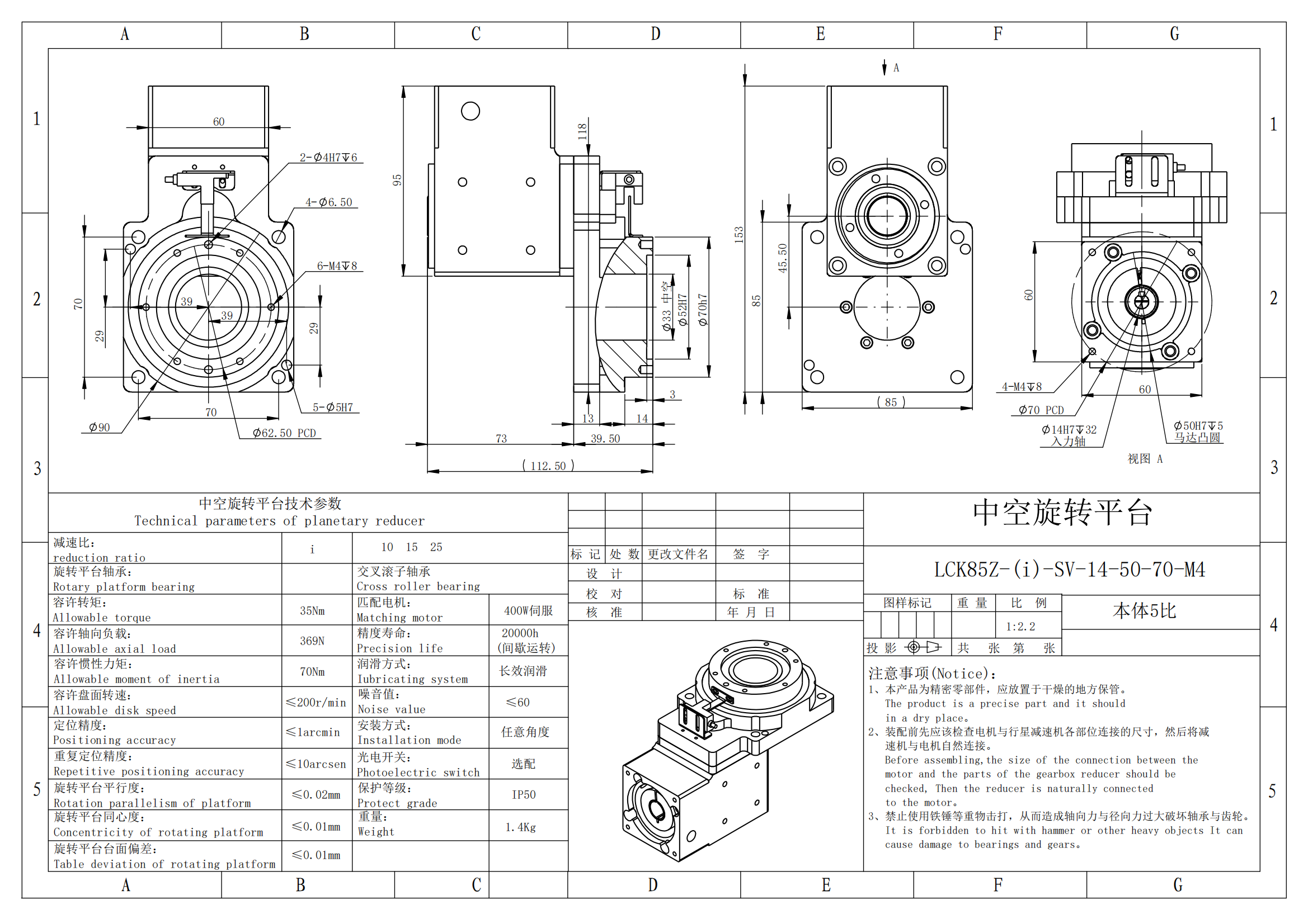
转角一体式中空旋转平台 高性价比型 法兰尺寸85 速比15 适配14-50-70-M4伺服
实际发货以付款成功次日算起,不含周日与法定节假日
直线运动零件
导向轴 转轴 导向轴支座
传动零部件
联轴器 同步带 同步轮
定位零件
固定环 悬臂销/铰链销 分度销/快卸销
电机驱动
伺服电机 伺服/步进线束 步进电机/步进驱动器
气动/液压
气源处理元件 气缸 控制阀/汇流板
门部零件/脚轮/脚杯
手柄 把手 手轮
工业铝型材及配件
铝型材 倍速链系列型材 机械防护栏
机械常用零件
弹簧 氮气弹簧 磁铁
紧固零件
螺钉 螺栓 螺母
低压电气
按钮开关/指示灯/蜂鸣器 断路器/空气开关 插头/插座
工业控制
行程开关 微动开关 PLC
传感器
光电传感器 接近传感器 槽型光电传感器
机械视觉/机器人周边专区
光源控制器/光源 视觉传感器/扫码枪/读码器 UV固化灯
电气辅材
压接端子 护线套 电缆线
模具配件
冲压模具标准件 塑胶模具标准件
工业用材料/减震/隔热
聚氨酯类 橡胶类 隔热材料
工具/刀具/夹具
铣刀 丝锥 手动工具
实际发货以付款成功次日算起,不含周日与法定节假日
