搜索
上传BOM
全部商品分类
选择属性 重置
功率(W)
种类
系列
安装方式
类型
输出类型
输出通道CH1电压
图片仅供参考
分享至
选型插件

明纬(MEAN WELL) 开关电源 SE 平板式安装 450W 单组输出 SE-450-36

产品型号
SE-450-36
复制
有替代品
品牌 明纬(MEAN WELL)
已选属性 种类:开关电源 | 系列:SE | 安装方式:平板式安装 | 类型:中高功率经济型 | 输出类型:单组输出 | 功率(W):450 | 输出通道CH1电压:36VDC
选购数量
含税总价 需询价

实际发货以付款成功次日算起,不含周日与法定节假日

材质图 拆分 参数图

  • 产品特点
  • 性能参数
  • 产品尺寸
  • 注意事项
1 产品特点
  • 交流输入突入电流限制

  • 交流输入范围通过开关置换

  • 保护种类:短路/过负载  /过电压/过温度

  • 内置直流风扇强制风冷

  • 具有遥感功能

  • LED指示工作情况 

  • 通过U L认证 

  • 2年保固

2 性能参数

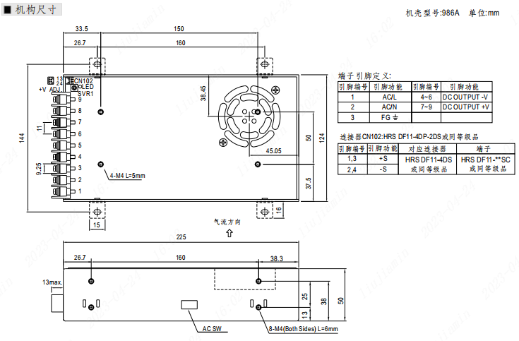
3 产品尺寸

4 注意事项

模型陆续开发中,敬请期待~