搜索
上传BOM
全部商品分类
选择属性 重置
种类
相数
控制方式
法兰尺寸
电机保持转矩(N·m)
步距角
输出轴数
额定电流
图片仅供参考
分享至
选型插件

雷赛智能(LEADSHINE) 闭环步进电机驱动器一体机

产品型号
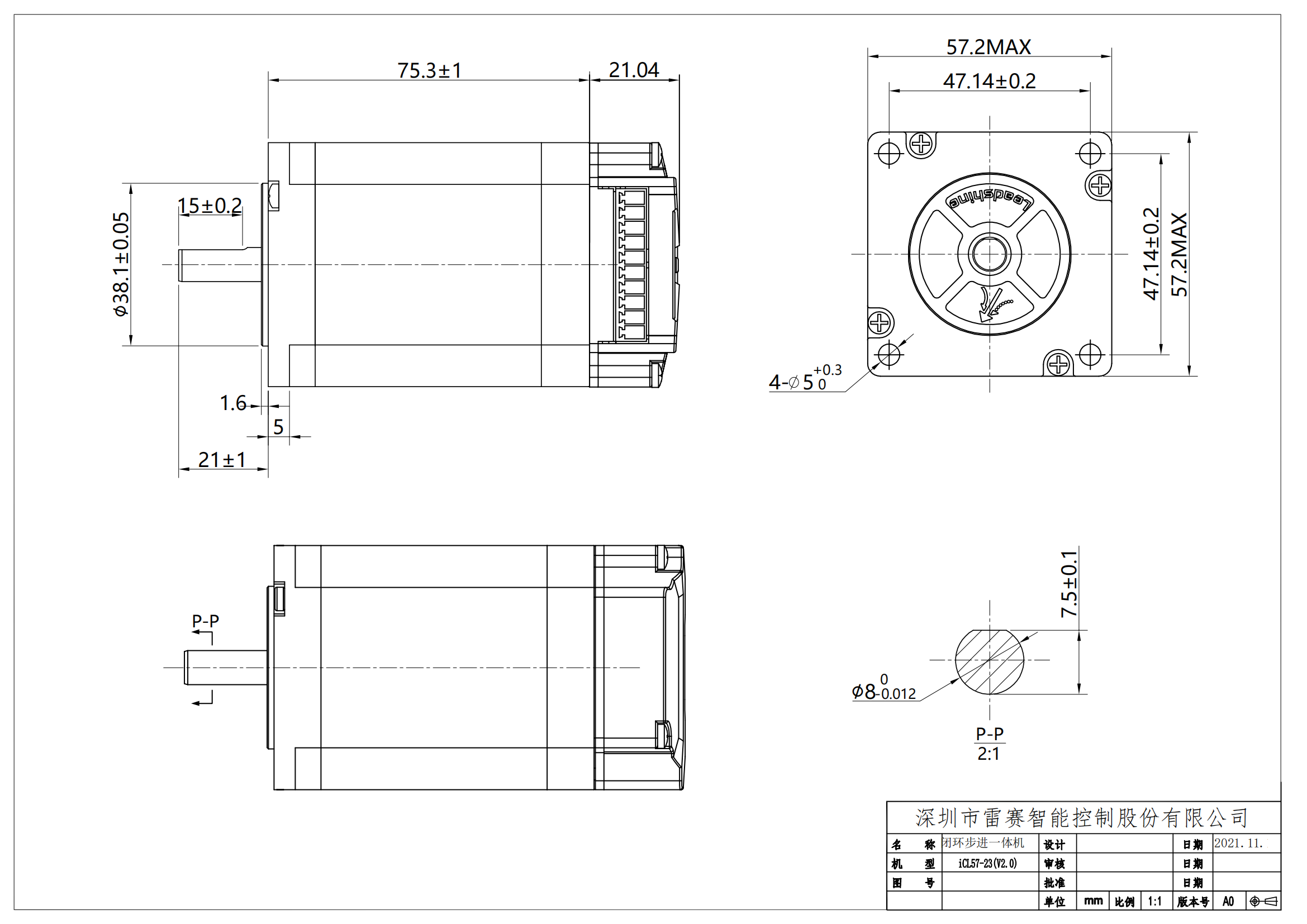
iCL57-23
复制
品牌 雷赛智能(LEADSHINE)
已选属性 输出轴数:单轴 | 相数:两相 | 额定电流:4.2A | 种类:一体式步进电机 | 法兰尺寸:57 | 步距角:1.8° | 电机保持转矩(N·m):2.3 | 控制方式:闭环控制
选购数量
含税总价 --
商品交期
-- (付款锁库存)

实际发货以付款成功次日算起,不含周日与法定节假日

  • 产品尺寸
  • 性能参数
1 产品尺寸

iCL57-23 图纸_01.png

2 性能参数

1.png2.png

文件名 文件大小 操作
共 0 条
  • 1
前往