
CM系列是雷赛智能采用日本新设计、新工艺和进口核心材料打造的高性能、较低成本步进电机。与市面上常见步进电机相比,具有更大力矩、更低发热、更好的运行平稳性等优点。由于采用了大规模的自动化生产线和严格的品质管理体系,此系列步进电机更为稳定可靠,拥有更优越的性能参数批量一致性!

1.标准型步进电机,CM系列还配有双出轴型、带刹车器型、防水型等多个类别,可根据应用场合的不同进行选择。
2.相比于普通的弹簧式刹车器,永磁式刹车器具有噪声小(没有嘈杂的机械噪声)、响应快(响应时间约30ms,仅为弹簧式刹车器的1/10)、寿命长、发热小、功耗低等诸多优点。CM系列带刹车器型步进电机采用了最新技术的永磁式刹车器,更适合垂直运动等应用场合,可以更好的起到断电保护的作用。
3.CM系列防水型步进电机,与标准型相比,后端盖重新设计,引出线改用防水连接器,前后端盖与机身之间增加了新型密封材料,电机机身做了全面的防水处理,电机轴端选用了优质油封,使得整机的防护等级达到了IP65。可适用于各类潮湿、淋水、户外、油液喷溅的场合。


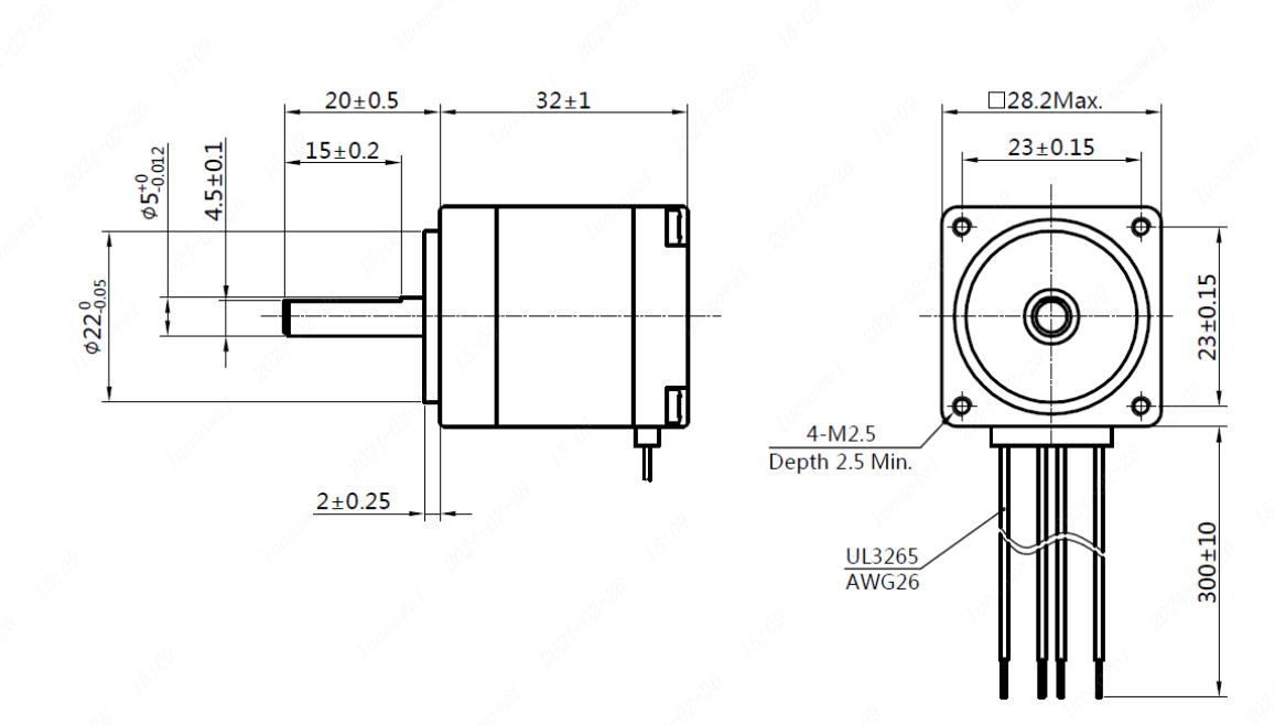
| 型号 | 28CM006 | 相数 | 2 |
|---|---|---|---|
| 机座 | 28 | 保持力矩(N.m) | 0.06 |
| 定制类型 | 标准 | 电机机座(mm) | 28 |
| 额定电流(A) | 1.2 | 步距角 | 1.8° |
| 电阻(Ω) | 1.4 | 电感(mH) | 1.0 |
| 转子惯量(Kg·cm²) | 0.09 | 定位力矩 | 无 |
| 绕线类型 | 无 | 建议使用电压(VDC) | 24 |
| 电机重量(KG) | 0.11 | 电机长度(mm) | 32 |
| 电机轴径(mm) | 5 | 电机键槽/平台 | 平台4.5 |
| 前出轴(mm) | 20 | 后出轴(mm) | 0 |
| 电机出线类型 | 散线 | 电机出线数目 | 4 |
| 电机出线长度(mm) | 300 | 工作环境温度(℃) | -10-50 |
| IP防护等级 | IP40 | 绝缘等级 | B |
| 认证类型 | CE | 推荐配套驱动器 | M420D / DM422S |
