搜索
上传BOM
全部商品分类
选择属性 重置
种类
盖板厚度
截面尺寸
表面处理
壳体长度
1件可定制
图片仅供参考
分享至
选型插件

分体式铝合金壳体120*35*130 本色喷砂阳极氧化(免费赠送盖板沉头螺钉)

此标品不开口,如需定制开口等,请前往
在线设计
后下单
产品型号
K114-12035-H6-L130
复制
品牌 嘉立创
已选属性 壳体长度:130mm | 截面尺寸:120mm*35mm | 表面处理:H6(本色喷砂阳极氧化) | 盖板厚度:1.5mm | 种类:分体式
选购数量
含税总价 --
商品交期
-- (付款锁库存)

实际发货以付款成功次日算起,不含周日与法定节假日

  • 产品详情
  • 产品特点
  • 产品尺寸
1 产品详情

P1.pngP2-1.png

铝型材壳体,广泛应用于电子产品行业,通常用于保护和容纳电子设备、机械组件或其他敏感物品。整体由壳体+前后挡板+8颗螺丝三部分组成,壳体内部设有PCB插槽或其他可选固定方式,方便电路板与元器件的灵活固定。表面喷砂或拉丝后阳极氧化处理。处理后的表面可使用激光镭射或UV彩印添加字体和LOGO。

部件名称数量材料表面处理/颜色
上壳体1铝合金喷砂/本色
下壳体1铝合金喷砂/本色
前挡板1铝合金喷砂/本色
后挡板1铝合金喷砂/本色
M3x6螺(赠送)8碳钢,不锈钢黑色,银色


2 产品特点

1、轻便:铝的密度为2.7g/cm,仅是铁(7.8)或铜(8.9)密度的1/3,在同等体积下铝合金外壳能获得更轻的质量,能够极大的减轻整个设备的重量,方便携带和安装。

2、强度高:6063铝合金的抗拉强度≥175 MPa,屈服强度≥130MPa,硬度≥65HBW,能够有效保护内部设备和部件的安全性。相比于塑料外壳,铝型材外壳更能承受外部冲击和挤压,有效防止设备受损。

3、优良的散热性能:6063铝合金的导热系数约为166-201( W/mK),能够迅速将设备内部产生的热量传导到外壳表面,通过自然或强制通风的方式散发出去,保持设备的正常运行。

4、良好的电磁屏蔽特性:是抵御 EMF 和射频辐射 (RFI) 的有效屏障。


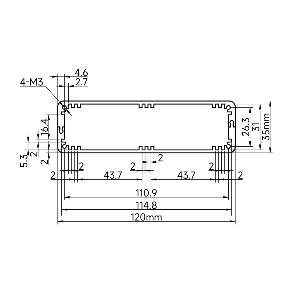
3 产品尺寸

P3.png

模型陆续开发中,敬请期待~