搜索
上传BOM
全部商品分类
选择属性 重置
功率(W)
种类
系列
安装方式
类型
输出类型
输出通道CH1电压
图片仅供参考
分享至
选型插件

明纬(MEAN WELL) 开关电源 WDR 导轨式安装 240W 单组输出 WDR-240-24

产品型号
WDR-240-24
复制
品牌 明纬(MEAN WELL)
已选属性 种类:开关电源 | 系列:WDR | 安装方式:导轨式安装 | 类型:超宽范围电压输入薄型 | 输出类型:单组输出 | 功率(W):240 | 输出通道CH1电压:24VDC
选购数量
含税总价 需询价

实际发货以付款成功次日算起,不含周日与法定节假日

材质图 拆分 参数图

  • 产品特点
  • 性能参数
  • 订货引导
  • 产品尺寸
  • 注意事项
1 产品特点

特性:

  • 单和双相宽范围180 ~ 550V交流输入;

  • 具有主动式PFC电路,满足BS EN/EN61000-3-2;

  • 效率高达91%,低功率消耗;

  • 保护种类:短路/过负载/过电压/过温度;

  • 自然风冷;

  • 安装轨道:TS-35/7.5或TS-35/15;

  • 通过UL508(工业控制设备)认证;

  • BS EN/EN61000-6-2(BS EN/EN50082-2)工业耐受等级;

  • 100%满载老化测试;

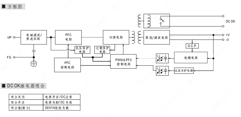
  • 内建DC OK继电器触点;

  • 3年保固。


2 性能参数
代码WDR-240-24WDR-240-48
输出直流电压24V48V
额定电流10A5A
电流范围0 ~ 10A0 ~5A
额定功率240W240W
纹波与噪声(最大)150mVp-p150mVp-p
电压调整范围24 ~ 28V48 ~ 55V
电压精度±1.0%±1.0%
线性调整率±0.5%±0.5%
负载调整率±1.0%±1.0%
启动、上升时间800ms, 150ms/400VAC        1500ms, 150ms/230VAC(满载时)
保持时间(Typ.)18ms / 400VAC        18ms / 230VAC(满载时)
输入电压范围180 ~ 550VAC或254 ~ 780VDC
频率范围47 ~ 63Hz
功率因子(Typ.)PF≥0.84/400VAC        PF≥0.84/230VAC
效率(Typ.)91.0%
交流电流(Typ.)1A/400VAC        2A/230VAC
浪涌电流(Typ.)冷启动:50A
漏电流<3.5mA / 530VAC
保护过负载额定输出功率的105%~130%
保护模式:恒电流限制,3秒后关闭输出,负载异常条件移除1分钟后可自动恢复
过电压29 ~ 33V56 ~ 65V
保护模式:关闭输出电压,负载异常条件移除1分钟后可自动恢复
过温度90℃±5℃(TSW) 检测功率开关的散热器
保护模式:关闭输出电压,当温度下降后可自动恢复
功能DC OK继电器吸合值(最大)60Vdc/0.3A, 30Vdc/1A, 30Vac/0.5A电阻负载
环境工作温度-30~+70℃
工作湿度20 ~ 95% RH,无冷凝
储存温度、湿度-40 ~ +85℃, 10 ~ 95% RH
温度系数±0.03%/℃ (0~50℃)
耐振动零件:10 ~ 500Hz, 2G 10分钟/周期, X、Y、Z轴各60分钟;安装:符合IEC60068-2-6
安规和
电磁兼容
安全规范UL508, IEC62368-1 CB,EAC TP TC 004认证通过, 设计参照,BS EN/EN62368-1, AS/NZS 62368.1,GL; (满足BS EN/EN60204-1)
耐压I/P-O/P:3KVAC    I/P-FG:2KVAC    O/P-FG:0.5KVAC    O/P-DC OK:0.5KVAC
绝缘阻抗I/P-O/P, I/P-FG, O/P-FG:>100M Ohms/500VDC/ 25℃/ 70% RH
电磁兼容发射符合BS EN/EN55032 (CISPR32), BS EN/EN61204-3 Class B, BS EN/EN61000-3-2,-3,EAC TP TC 020
电磁兼容抗扰度符合BS EN/EN61000-4-2,3,4,5,6,8,11, BS EN/EN55024, BS EN/EN61000-6-2 (BS EN/EN50082-2), BS EN/EN61204-3,A级重工业标准,EAC TP TC 020


3 订货引导
代码功率
(W)
输出电压
(V)
额定输出电流
(A)
输入电压范围
(V)
组别
WDR-240-24240DC2410180~550VAC
或254~780VDC
单组
WDR-240-48DC485


4 产品尺寸

5 注意事项

模型陆续开发中,敬请期待~