搜索
上传BOM
全部商品分类
嘉立创FA_机械/电气零部件_一站式采购商城

松下售后小程序

选择属性 重置
种类
类型
系列
图片仅供参考
分享至
选型插件

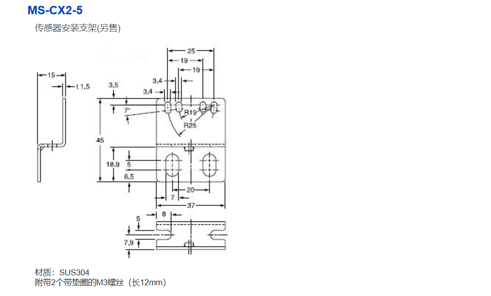
松下(Panasonic) 光电传感器-配件 CX-400系列 安装支架 MS-CX2-5

产品型号
MS-CX2-5
复制
品牌 松下(Panasonic)
已选属性 系列:CX-400 | 种类:光电传感器-配件 | 类型:安装支架
选购数量
含税总价 --
商品交期
-- (付款锁库存)

实际发货以付款成功次日算起,不含周日与法定节假日

  • 产品简介
1 产品简介

image.pngimage.png

模型陆续开发中,敬请期待~