搜索
上传BOM
全部商品分类
选择属性 重置
种类
安装方式
额定电流
接线方式
滤波等级
材质
图片仅供参考
分享至
选型插件

三相经济型滤波器 导轨安装型 树脂外壳 LC-30S5-1AH1-T-D

产品型号
LC-30S5-1AH1-T-D
复制
品牌 国产
描述 导轨安装
已选属性 额定电流:30 | 材质:树脂 | 种类:三相滤波器 | 滤波等级:单级 | 接线方式:日式端子台 | 安装方式:导轨安装
选购数量
含税总价 --
商品交期
-- (付款锁库存)

实际发货以付款成功次日算起,不含周日与法定节假日

  • 产品简介
  • 产品特点
  • 产品尺寸
  • 接线图
1 产品简介
产品特点
• 有效抑制共模噪声干扰
• 额定电流 7A~30A
• 极小漏电流 2.5mA~5mA (Max.)
• 采用塑料外壳, 重量轻
• 可选择搭載其它电性等级

市场应用
• 电机驱动系统
• 变频器
• 电源管理系统
• 伺服马达
• 高功率办公室设备

安规认证
UL、ENEC、CQC、UKCA、CE
2 产品特点
三相电源滤波器特别适用于机械、自动化和电源管理系统。
三相电源滤波器在 EMC 解决方案中具有出色的衰减性能和高可靠性,经认证的额定电压高达 600VAC / 额定电流高达 400A,并通过UL、cUL、ENEC和CQC许可,适用于高功率系统。三相电源滤波器具有不同的机构设计配置,有书本型和扁平型解决方案,有塑料外壳版本搭配导轨安装方案, 可满足各种不同层级面的要求。
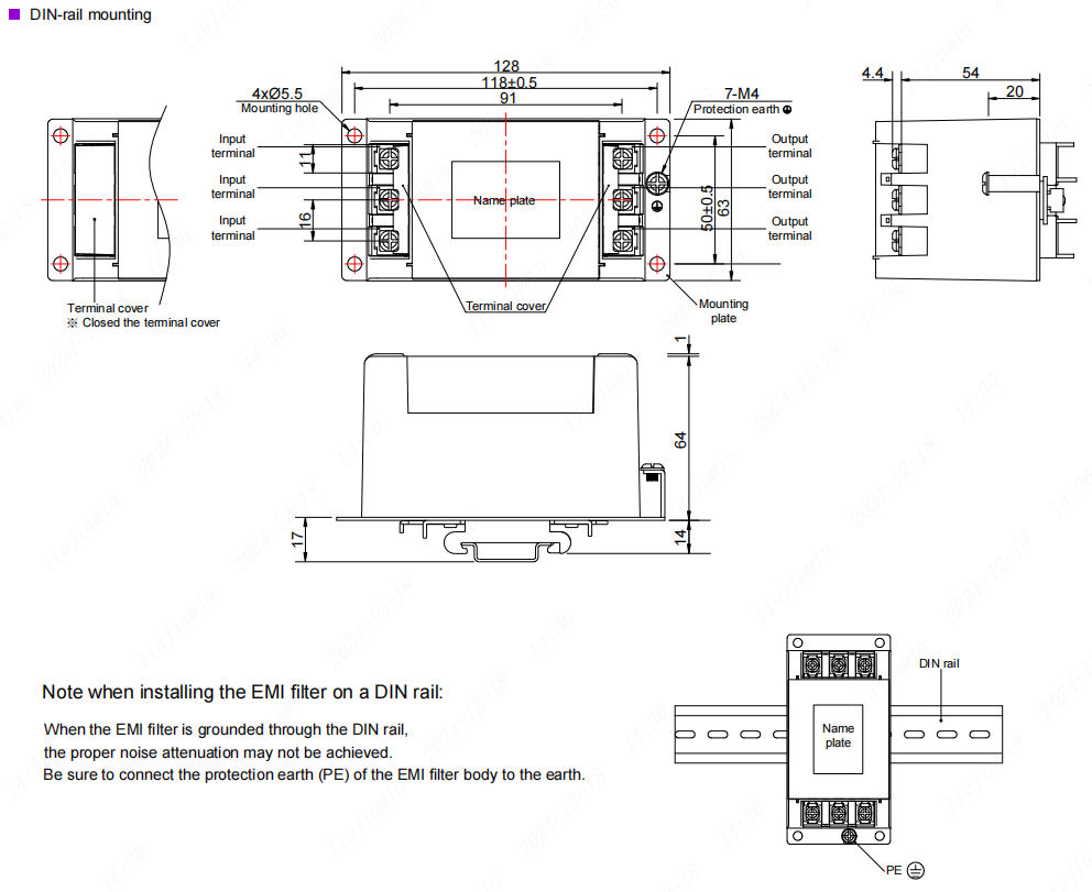
3 产品尺寸

image.png

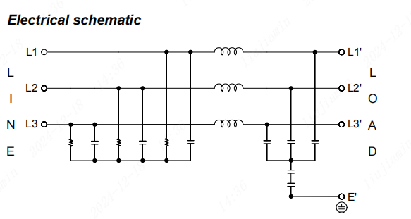
4 接线图

image.png