选择属性
重置
种类
性价比
法兰尺寸
减速比
适用电机
系列
最大输入转数
中空旋转平台支撑轴承

该型号已复制到剪切板
实际发货以付款成功次日算起,不含周日与法定节假日
恭喜您,成功添加商品至购物车
尊敬的客户:
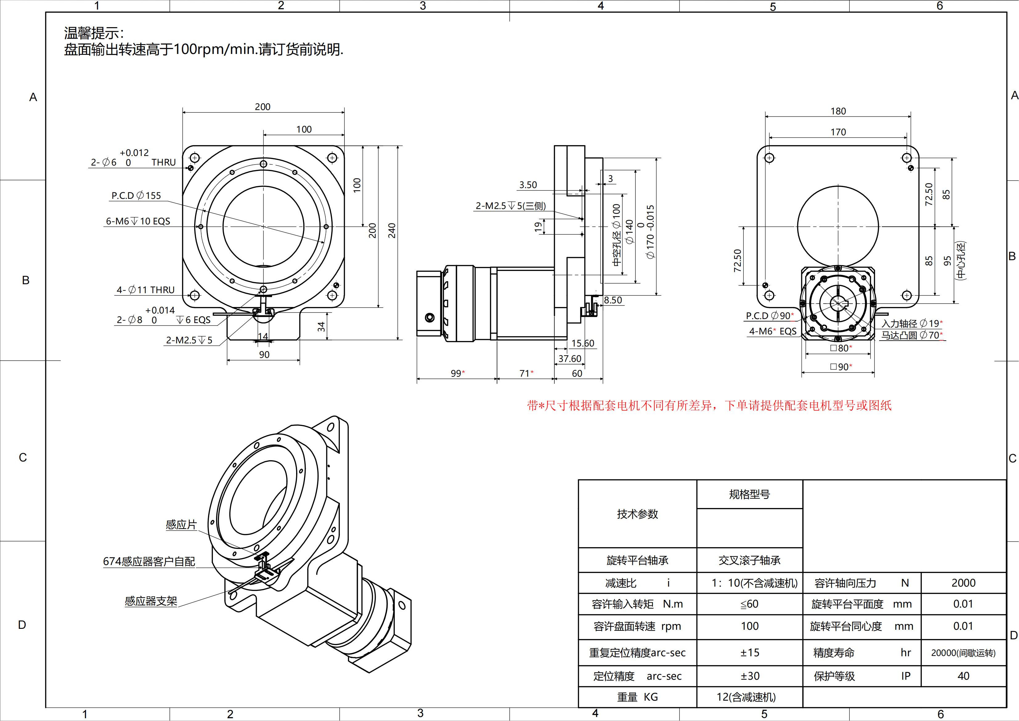
嘉立创 中空旋转平台 经济型 法兰尺寸200 30比 适配80法兰伺服 型号:KXPE-200-30-SV

品质好
品牌件保证正品,假一罚十 大企业背书,售后保障
阳光透明
全网统一定价策略 明码实价
交期快
现货库存,2小时发货 无库存的标准件3-5天发货
价格优
价格具有吸引力 不惧比价
品类齐全
160+大类,65+万SKU 一站式采购服务 支持来图定制加工
咨询
7X24小时服务热线:400-869-8058
业务咨询:13265536798 李先生
13266820185 黎先生
技术支持:0755-2389 5859
客诉电话:18681530039
服务邮箱:jlcfa-kf@sz-jlc.com
服务时间:周一至周六 9:00-22:00


微信公众号
抖音号
版权所有 - 深圳嘉立创科技集团股份有限公司 粤ICP备11084592号 粤公网安备44030402005642号 增值电信业务经营许可证粤B2-20201198 ISO/IEC



新人福利