直线运动零件
导向轴 转轴 导向轴支座
传动零部件
联轴器 同步带 同步轮
定位零件
固定环 悬臂销/铰链销 分度销/快卸销
电机驱动
伺服电机 伺服/步进线束 步进电机/步进驱动器
气动/液压
气源处理元件 气缸 控制阀/汇流板
门部零件/脚轮/脚杯
手柄 把手 手轮
工业铝型材及配件
铝型材 倍速链系列型材 机械防护栏
机械常用零件
弹簧 氮气弹簧 磁铁
紧固零件
螺钉 螺栓 螺母
低压电气
按钮开关/指示灯/蜂鸣器 断路器/空气开关 插头/插座
工业控制
行程开关 微动开关 PLC
传感器
光电传感器 接近传感器 槽型光电传感器
机械视觉/机器人周边专区
光源控制器/光源 视觉传感器/扫码枪/读码器 UV固化灯
电气辅材
压接端子 护线套 电缆线
模具配件
冲压模具标准件 塑胶模具标准件
工业用材料/减震/隔热
聚氨酯类 橡胶类 隔热材料
工具/刀具/夹具
线号标签打印机 手推车 测量工具
iCNV自恢复过欠压保护器具有以下功能:
过电压自动断开
欠电压自动断开
重合闸超过规定次数后将自锁重合功能
正常工作电压自动接通
正面视窗指示产品工作状态
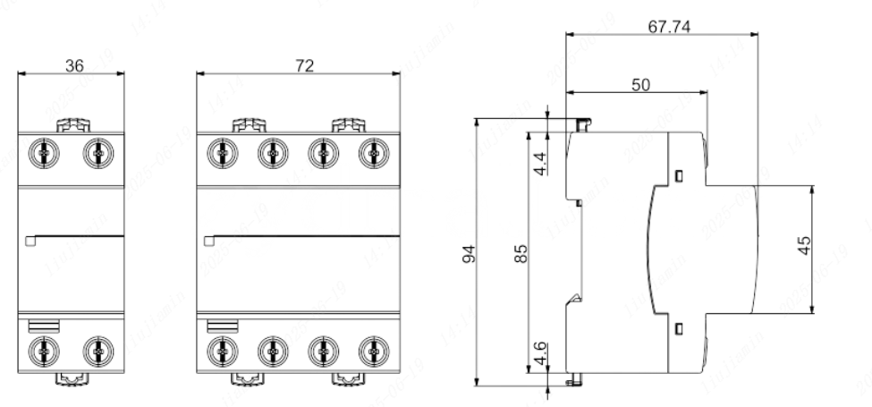
接线方式:下进线上出线
产品安装在户箱主开关出线侧
施耐德首例生态设计产品,符合Green Premium要求,节能,健康,生态,环保,可循环:
节能:产品使用过程中的耗电量低,每月仅需0.2度(iCNV1P+N),碳排放量仅为市场同类产品的5%
健康:产品原材料完全符合ROHS和REACh认证要求,承诺无有害物质出现在家庭配电箱中
生态:采取生态设计理念,更小的产品尺寸,优化的接线方式,在节约自然资源同时,帮助客户节约安装与接线成本
环保:生产工厂遵循ISO14001标准,产品的未端处置不产生任何危险废弃物
可循环:可再生和易于回收的原材料使用率达80%以上
| iCNV-自恢复过欠压保护器 | ||
| 主要特性 | ||
| 工作电压(Ue) | 1P+N | 230VAC |
| 3P+N | 400VAC | |
| 工作频率 | 50Hz | |
| 过电压脱扣(L-N) | 275>>VAC | |
| 过电压脱扣时间 | ≤63A:3~10s(275V)/80A:3~15s(275V) | |
| 100~200ms(400V) | ||
| 过电压恢复(L-N) | 253VAC | |
| 欠电压脱扣(L-N) | 50~160VAC | |
| 欠电压脱扣时间 | ≤63A:600ms~1.5s/80A:600ms~-5s | |
| 欠电压恢复(L-N) | 195VAC | |
| 自恢复强制延时 | 30±5s | |
| 接线方式 | 下进上出 | |
| 其它特性 | ||
| 电气寿命 | 12,000次 | |
| 防护等级 (IEC/EN 60529) | 本体 | IP20 |
| 安装在配电箱内 | IP40 | |
| 工作使用环境温度 | -25℃~+55℃ | |
| 储存环境温度 | -40℃~+80℃ | |

