直线运动零件
导向轴 转轴 导向轴支座
传动零部件
联轴器 同步带 同步轮
定位零件
固定环 悬臂销/铰链销 分度销/快卸销
电机驱动
伺服电机 伺服/步进线束 步进电机/步进驱动器
气动/液压
气源处理元件 气缸 控制阀/汇流板
门部零件/脚轮/脚杯
手柄 把手 手轮
工业铝型材及配件
铝型材 倍速链系列型材 机械防护栏
机械常用零件
弹簧 氮气弹簧 磁铁
紧固零件
螺钉 螺栓 螺母
低压电气
按钮开关/指示灯/蜂鸣器 断路器/空气开关 插头/插座
工业控制
行程开关 微动开关 PLC
传感器
光电传感器 接近传感器 槽型光电传感器
机械视觉/机器人周边专区
光源控制器/光源 视觉传感器/扫码枪/读码器 UV固化灯
电气辅材
压接端子 护线套 电缆线
模具配件
冲压模具标准件 塑胶模具标准件
工业用材料/减震/隔热
聚氨酯类 橡胶类 隔热材料
工具/刀具/夹具
铣刀 丝锥 手动工具

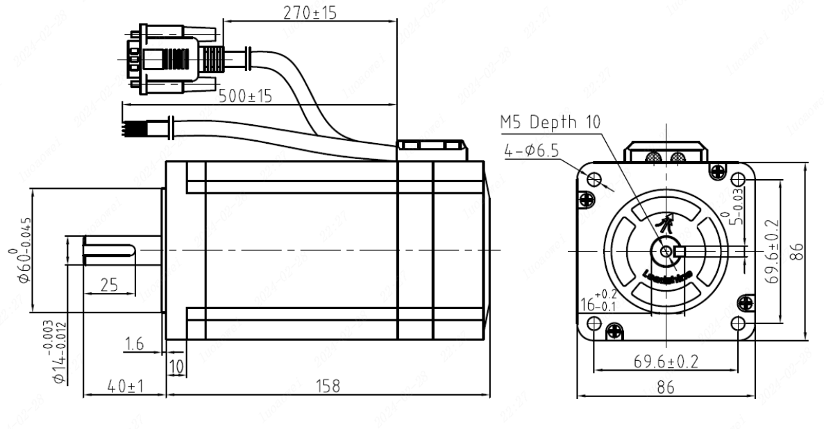
CME系列闭环步进电机,本体沿用了CM系列的设计,具有转矩大、发热小、平稳性好等特点,后端安装了4000ppr(脉冲每转)双通道光电编码器,可提供稳定可靠的位置反馈信号,需配套CL系列闭环步进驱动器使用。雷赛倾力打造的全新闭环步进驱动器产品具有 “不丢步、相应快、定位准、转矩大、发热小、免调试” 等诸多优点。
不丢步;
相应快;
定位准;
转矩大;
发热小;
免调试.


| 型号 | 86CME120 | 相数 | 2 |
|---|---|---|---|
| 机座 | 86 | 保持力矩(N.m) | 12 |
| 定制类型 | 标准 | 电机机座(mm) | 86 |
| 额定电流(A) | 6 | 步距角 | 1.8° |
| 电阻(Ω) | 0.75 | 电感(mH) | 5.5 |
| 转子惯量(Kg·cm²) | 3 | 定位力矩 | 12 |
| 绕线类型 | 无 | 建议使用电压(VDC) | 60 |
| 电机重量(KG) | 4.7 | 电机长度(mm) | 158 |
| 电机轴径(mm) | 14 | 电机键槽/平台 | 键槽5 |
| 前出轴(mm) | 40 | 后出轴(mm) | 0 |
| 电机出线类型 | 线缆 | 电机出线数目 | 4 |
| 电机出线长度(mm) | 500 | 工作环境温度(℃) | -10~50 |
| IP防护等级 | IP40 | 绝缘等级 | B |
| 认证类型 | CE | 推荐配套驱动器 | CL86H |