搜索
上传BOM
全部商品分类
选择代码(可不选) 代码含义
还有 5 项未选 重置
材质
表面处理/颜色
特征
D
嘉立创FA
S
嘉立创FA
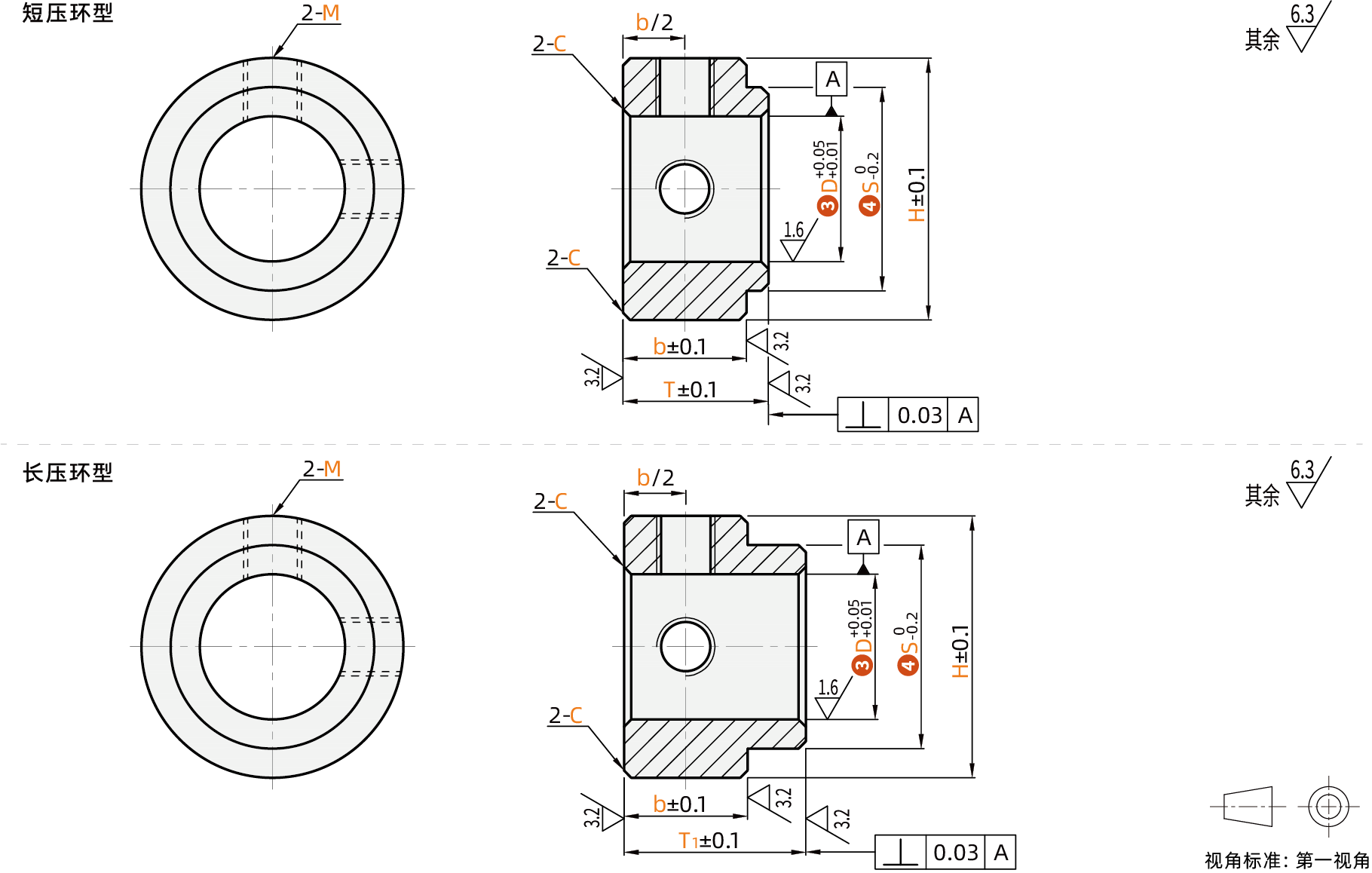
轴承固定环 紧定螺钉锁紧型 标准型 短压环型/长压环型
图片仅供参考
分享至

轴承固定环 紧定螺钉锁紧型 标准型 短压环型/长压环型

条件筛选
种类: 轴承固定环类型: 标准型轴固定方式: 紧定螺钉锁紧型切割位置: 切割端面位置加工: 平面孔加工:
产品型号
请先点击左侧选项 开始选型
选型插件
材质图 拆分 参数图

  • 产品简介
  • 产品特点
  • 产品尺寸
  • 性能参数
  • 注意事项
1 产品简介

固定轴承用固定环可用作轴承的内圈压环。与轴承专用螺帽相比而言,无需专用工具、且性价比高。

2 产品特点

特点1:将固定环固定在旋转类零件一侧,作为旋转类零件的轴向固定而使用。

特点2:将固定环固定在转轴的一端,凸台部紧贴轴承内圈,起到轴承定位的作用。

特点3:将两个固定环在轴上零件的两端进行夹紧固定,该零件前后位置可调,作为该零件的轴向定位而使用。

特点4:止动螺丝型相较于开口型的固定环,紧凑型相较于标准型,厚度更薄,更省空间。

特点5:有多种材质以及表面处理可供选择,满足客户多种需求。


3 产品尺寸

4 性能参数
代码特征类型轴固定方式材质表面处理附件
(紧定螺钉)
FGEF-E1-D短压环型标准型紧定螺钉
锁紧型
S45C发黑2个
FGEF-N1-D无电解镀镍2个
(不锈钢)
FGEF-W-DSUS304
FGEF-H1-DA2017本色阳极氧化
FGEF-H2-D黑色阳极氧化2个
FGEF-E1-L长压环型S45C发黑
FGEF-N1-L无电解镀镍2个
(不锈钢)
FGEF-W-LSUS304
FGEF-H1-LA2017本色阳极氧化
FGEF-H2-L黑色阳极氧化2个
如对防锈有要求,请优先选用不锈钢材质或无电解镀镍产品。


5 注意事项

1.如果产品对防锈有要求,优先选择无电解镀镍表面处理产品和SUS304材质产品

2.由于固定环没有硬度,发生碰撞后容易产生擦伤、撞伤,收到产品后请注意养护。


选型未完成,无法生成零件模型,请优先完成零件选型

嘉立创FA-微信咨询
公众号
手机商城
意见反馈