搜索
上传BOM
全部商品分类
选择代码(可不选) 代码含义
还有 4 项未选 重置
材质
表面处理/颜色
D
T
图片仅供参考
分享至

切割固定环 双边切割型 紧定螺钉锁紧型

条件筛选
种类: 切割固定环轴固定方式: 紧定螺钉锁紧型切割位置: 双边切割型
产品型号
请先点击左侧选项 开始选型
选型插件
材质图 拆分 参数图

FGDZ_2.png

  • 产品简介
  • 产品特点
  • 产品尺寸
  • 性能参数
  • 注意事项
1 产品简介

开口型固定环固定于轴部,可实现作为挡块、轴上零件定位及旋转类零件的固定等多种功能。

2 产品特点

特点1:将固定环固定在旋转类零件一侧,作为旋转类零件的轴向固定而使用。

特点2:将固定环固定在导向轴的一端,作为以导向轴为导轨的直线运动机构的挡块而使用。

特点3:侧面螺纹孔或者通孔可用于连接工件,固定环锁紧后连带工件,从对该工件起到定位作用。

特点4:由于是通过开口端螺丝锁紧来实现对轴的抱紧,可避免使用后轴部的损伤。

特点5:开口型相较于止动螺丝型的固定环,紧固力更强。

特点6:有多种材质以及表面处理可供选择,满足客户多种需求。


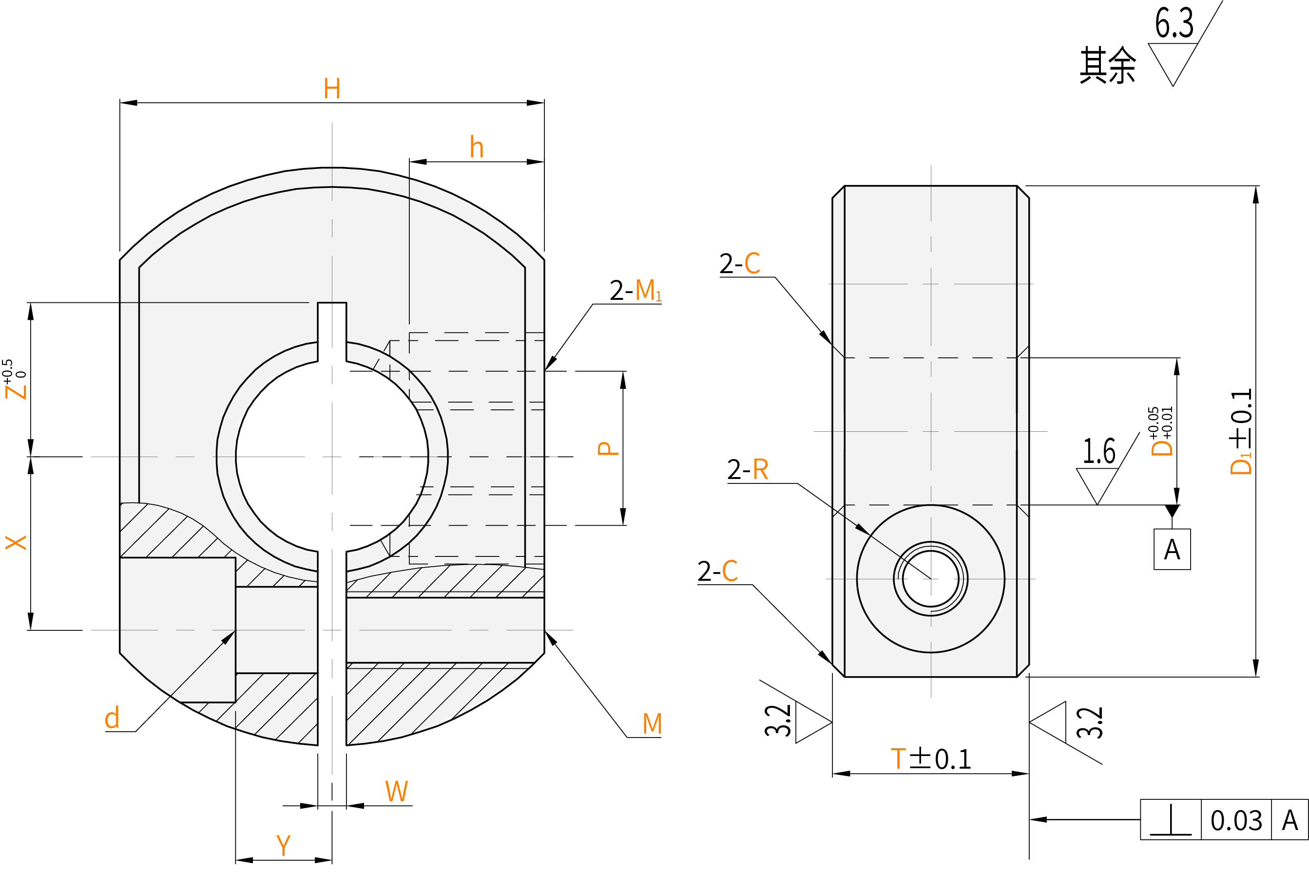
3 产品尺寸

资源 1(7).png

4 性能参数

代码

切割位置

轴固定方式

材质

表面处理

附件
(内六角圆柱头螺钉)

FGDZ-E1

双边
切割型

紧定螺钉
锁紧型

S45C

发黑

1个

FGDZ-N1

无电解镀镍

1个 (不锈钢)

FGDZ-W

SUS304

如对防锈有要求,请优先选用不锈钢材质或无电解镀镍产品。


5 注意事项

1.如果产品对防锈有要求,优先选择无电解镀镍表面处理产品和SUS304材质产品

2.由于固定环没有硬度,发生碰撞后容易产生擦伤、撞伤,收到产品后请注意养护。


选型未完成,无法生成零件模型,请优先完成零件选型